PRODUCTS
PRODUCTS
SPEC
 
 
 
SPEC
영문_제품별스펙

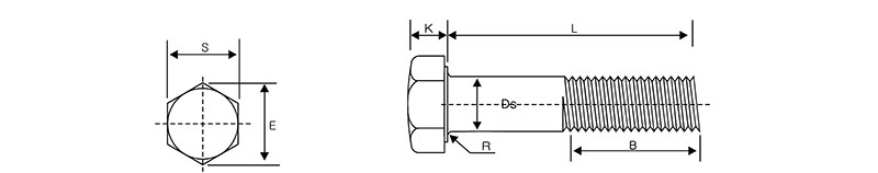
Heavy hex structural bolt | ASME B18.2.6

페이지 정보

작성자 최고관리자 작성일16-09-20 14:39 조회3,999회 댓글0건

본문

ASME B18.2.6

댓글목록

등록된 댓글이 없습니다.

 
 
YOUNGSAN BOLT CO.,LTD. | CEO : Park Jae cheol | Business number : 134-87-05371
Address : 38, Mongnae-ro 122beon-gil, Danwon-gu, Ansan-si, Gyeonggi-do, Korea | TEL : +82-31-495-7890 | FAX : +82-31-493-0390
COPYRIGHTS ⓒ YOUNGSAN BOLT CO.,LTD. ALL RIGHT RESERVED.