제품소개
products
취급제품
제품별스펙
 
 
 
제품별스펙
제품별스펙

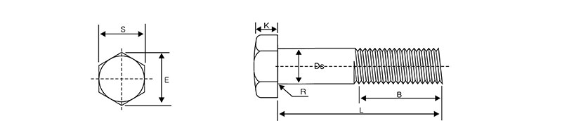
Heavy hex-bolt | ANSI B18.2.1

페이지 정보

작성자 최고관리자 작성일16-09-20 14:37 조회3,924회 댓글0건

본문

ANSI B18.2.1

댓글목록

등록된 댓글이 없습니다.

 
 
상호명 : 주식회사 영산볼트 | 대표자 : 박재철 | 사업자등록번호 : 134-87-05371
주소 : 경기도 안산시 단원구 목내로 122번길 38 | TEL : 031-495-7890 | FAX : 031-493-0390
COPYRIGHTS ⓒ YOUNGSAN BOLT.,LTD. ALL RIGHT RESERVED.